Over 60 Years of High-Quality, USA-Made Stud Welding Products at Competitive Prices
Over 600 sizes of threaded, no thread, reduced base, tapped, collar, and headed weld studs.
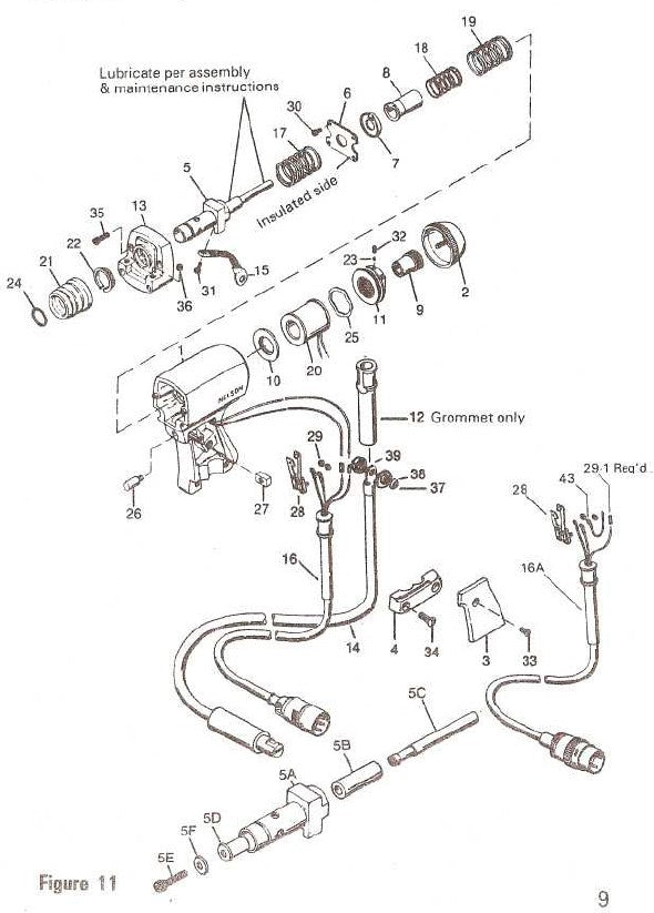
Collets, Collet Inserts, Collet Protectors, Legs, Feet, Magnetic Cup Head Chucks and More.
Welders that utilize the latest technology in stud welding.
Cross-reference OEM part numbers for Tweco, Proweld, Image, and more.
Our experts can help you find the right stud, accessory, or rental fast.
Same-day response to most inquiries (M–F).
Phone: 800-426-5667
Email: office@hanlonequipment.com
Follow these step-by-step instructions to properly set up your welding equipment for optimal performance and safety.
Attach the power cable assembly to the main unit. Ensure the connection is secure and the locking mechanism clicks into place.
Securely attach the ground clamp to a clean, bare metal surface on your workpiece. Remove any paint, rust, or coating for optimal conductivity.
Insert the appropriate welding stud into the chuck. Ensure the stud is properly seated and the chuck is tightened securely.
Adjust the weld time and current settings according to the stud size and material specifications. Refer to the settings chart in your manual.
Conduct a test weld on a scrap piece of similar material. Inspect the weld quality and adjust parameters if necessary.
Once test welds are satisfactory, proceed with production welding. Maintain consistent technique and periodically inspect weld quality.
Your welding equipment is now properly configured and ready for use. For additional support or questions, contact our technical team.









